Каталог товаров

 
Главная Каталог товаров Холодильные компрессора Бытовые ACC, Атлант, Бирюса ACC (Австрия) Ремонт и техническое обслуживание Бытового Холодильника

Ремонт и техническое обслуживание Бытового Холодильника


3 000,00  руб.

Заказать в один клик

Ремонт и техническое обслуживание Бытового Холодильника

Как самому отремонтировать Бытовой Домашиний Холодильник!

Сервисное руководство

Внимание! Перед проведением ремонта и технического обслуживания ознакомьтесь с разделом «Безопасность» данного руководства.

Ремонт и техническое обслуживание Бытового Холодильника Как самому отремонтировать Бытовой Домашиний Холодильник!Холодильник GR-349SQF, GR-389SQF

Содержание

1. Безопасность

2. Сервисные рекомендации

3. Спецификации

4. Описание компонентов

5. Перенавешивание двери на другую сторону

6. Разборка

1.1 Дверь

1.2 Дверной выключатель

1.3 Основной вентилятор и двигатель вентилятора

1.4 Управление

1.5 Лампы

7. Регулировка

7.1 Компрессор

7.2 Пускового реле

7.3 Защиты от перегрузок

8. Принципиальные электрические схемы

9. Диагностика и устранение неисправностей

9.1 Компрессор и его электрические компоненты

9.2 Пускового реле и защита от перегрузок

9.3 Другие электрические компоненты

9.4 Диагностические таблицы

9.5 Циклы охлаждения

10. Модуль управления

11. «Взорванные» виды

12. Перечень компонентов

1. Безопасность

Пожалуйста, прочитайте следующие инструкции перед обслуживанием холодильника.

  1. Проверьте сопротивление изоляции прибора.
  2. Отключите прибор от сети перед сервисным обслуживанием для предотвращения поражения электрическим током.
  3. Всякий раз, когда тестирование проводится при включенном питании, надевайте резиновые перчатки, чтобы избежать поражения электрическим током.
  4. При использовании любого прибора, проверьте его соответствие для измерения тока, напряжения и мощности.
  5. Не касайтесь металлических изделий в морозильной камере мокрыми руками. Это может вызвать обморожение.
  6. Следите, чтобы вода не попадала на электрические элементы из механических частей.
  7. Когда проводится проверка нижнего раздела холодильника с открытой верхней дверью, двигайтесь с осторожностью, чтобы не удариться о верхнюю дверь.
  8. Когда необходимо наклонить прибор, достаньте любые материалы с полок и сами полки, особенно стеклянные.
  9. При обслуживании испарителя, наденьте хлопчатобумажные перчатки. Это необходимо предотвращения травм от острых краев.
  10. Ремонт холодильного контура проводите в специализированном сервисном центре. Газ внутри схемы может загрязнять окружающую среду.

2. Сервисные рекомендации

Зарядка хладагента в компрессор.

Испытайте холодильник, подключив его к электрической сети до операции по заправке. Необходимо установить работоспособность мотор-компрессора и сразу же выявить дефекты всей системы. Если дефекты были обнаружены, возможные остатки хладагента R134a удаляют путем разрыва конца трубки в узком месте. (Рис. 1)

Замените фильтр и все поврежденные компоненты. Выпаяйте и извлеките кусок оставшейся трубки и затем запаяйте трубку с муфтой Ганзена на это же место. (Рис. 2)

запаяйте трубку с муфтой Ганзена

Операцию пайки необходимо выполнять при открытом клапане, так чтобы пары флюса могли свободно выходить. Пайка должна быть без раковин между двумя трубками, необходимо учитывать, что в процессе нагревания точка пайки расширяется. Трубка оснащена муфтой Ганзена «папа» и подключается к трубке вакуумного насоса. (Рис. 3)

Трубка оснащена муфтой Ганзена

Воздух начинает откачиваться из системы после запуска насоса. Система охлаждения должна быть под вакуумом, до показания манометром вакуума (0 абсолютный, -1 атм., -760 мм рт.ст.) в любом случае желательно, чтобы насос работал в течение приблизительно 30 минут. (Рис. 3)

В случае если обнаружена утечка, необходимо остановить вакуум-насос и добавить небольшое количество фреона в систему, если вакуум не может быть получен (манометр не может упасть до -1 атмосферы), запустить холодильную установку и найти утечку с помощью течеискателя. При дефектной пайке, при открытии клапана не восстанавливается нормальное внешнее давление внутри контура. Это происходит потому что остатки припоя всасываются в трубку и блокируют ее, давление должно быть выровнено при открытии клапана.

Как только вакууммирование закончено, добавьте в холодильный контур необходимое количество граммов R134a. Помните, что каждая система должна быть заправлена точным количеством R134a с допуском ± 5 граммов. (Рис. 4)

добавьте в холодильный контур необходимое количество граммов R134a

Перед выполнением этой операции (если вакуумный насос и заправочный цилиндр соединены), убедитесь, что клапан перед вакуумным насосом закрыт, чтобы сохранить фреон при добавлении в систему. (Рис. 5)

клапан перед вакуумным насосом закрыт

Кроме того, проверьте, градуированную шкалу на цилиндре для количества R134a, которое будет добавлено, например, если у нас есть 750 грамм фреона в цилиндре и нужно добавить 165 граммов в контур, этот результат будет достигнут, когда R-134a снизился до 585 граммов, контролируя это по индикатору. Делайте это после выбора соответствующего масштаба для давления газа, давление газа указывает манометр на верхней части колонны.

Для того, чтобы R134a поступил в систему, откройте клапан у основания цилиндра, подключенный к заправочной трубке. Фреон не может быть добавлен в систему весь сразу, потому что это может привести к блокированию мотор-компрессора. После добавления около 20-30 г необходимо сразу же закрыть подачу.

Давление повышается и двигатель компрессора всасывает газ и давление снижается снова. Регулировочный клапан открывают снова до достижения заправки необходимого количества R134a. Когда система работает, давление на входе должно быть стабилизировано от 0,30 до 0,6 атмосферы.

3. Спецификация

1. Модель GC-389

НаименованиеСпецификации
Размеры (мм) 595 (W)X626 (D)X1880 (H)
Вес без упаковки, кг 74
Система охлаждения No frost
Контроль темп. Холодильное Селектор
Морозильное Кнопка
Система разморозки Автоматическая
Нагреватель оттайки
Окантовка двери Мет. молдинги или пластмассовые с металлизированным покрытием
Корпус снаружи Эмалированный стальной лист
Корпус внутри Гигиенический пластик
Заполнение корпуса Полиуретановая пена
Устройство разморозки Закрытый ТЭН
Хладагент R134a (135г)
Смазка компрессора FREOL @ 22G (210 cc)
Отделы холодильного отделения Прозрачные полки (3 шт)
Овощной контейнер (2 шт)
Овощной контейнер с крышкой (1 шт)
Охлаждающий контейнер (1шт)*
Отделы двери Карман для молока с крышкой (1 шт)
Карман для яиц (2 шт)
Малый карман (5 шт)
Карман для бутылок (1 шт)
Отделы морозильного отделения Лоток (4 шт)
Лоток для льда (1 шт)
Компрессор Запуск от терморегулятора
Испаритель Трубчатого типа
Конденсатор Трубчатого типа

* дополнительно

2. Модель GC-349

НаименованиеСпецификации
Размеры (мм) 595 (W)X626 (D)X1710 (H)
Вес без упаковки, кг 69
Система охлаждения No frost
Контроль темп. Холодильное Селектор
Морозильное Кнопка
Система разморозки Автоматическая
Нагреватель оттайки
Окантовка двери Мет. молдинги или пластмассовые с металлизированным покрытием
Корпус снаружи Эмалированный стальной лист
Корпус внутри Гигиенический пластик
Заполнение корпуса Полиуретановая пена
Устройство разморозки Закрытый ТЭН
Хладагент R134a (135г)
Смазка компрессора FREOL @ 22G (210 cc)
Отделы холодильного отделения Прозрачные полки (2 шт)
Овощной контейнер (2 шт)
Овощной контейнер с крышкой (1 шт)
Охлаждающий контейнер (1шт)*
Отделы двери Карман для молока с крышкой (1 шт)
Карман для яиц (1 шт)
Малый карман (3 шт)
Карман для бутылок (1 шт)
Отделы морозильного отделения Лоток (4 шт)
Лоток для льда (1 шт)
Компрессор Запуск от терморегулятора
Испаритель Трубчатого типа
Конденсатор Трубчатого типа

* дополнительно

4. Описание частей холодильника

Компоненты холодильникаGR-389SQF

ПРИМЕЧАНИЕ: Это базовая модель. Состав компонентов холодильника может быть изменен.

5. Замена и перенавешивание дверей холодильника

ПРИМЕЧАНИЕ: Перенавешивание дверей не является гарантийным случаем и оплачивается как отдельная услуга.

1. Меры предосторожности

1) Перед снятием двери, в первую очередь вы должны достать из холодильника продукты питания и аксессуары, таких как полки и лотки, которые не фиксируется в холодильнике.

2) Используйте динамометрический ключ, чтобы закрутить или выкрутить болт.

3) Не кладите в холодильник на заднюю стенку, это может быть причиной выхода прибора из строя.

4) Будьте осторожны, чтобы не уронить дверь при разборке или монтаже.

2. Как перевесить двери на другую сторону.

1) Выкрутите винт (2) и снимите нижнюю крышку (1) и переместите заглушку нижней крышки (3). Выкрутите винт (4) нижнего шарнира (5), и переместите штифт (6). Отсоедините открытую дверь морозильного отделения и переместите на другую сторону заглушку (7).

Переместите кронштейн ограничителя двери (8) и винт (9).

Переместите кронштейн ограничителя двери

Переместите кронштейн двери

2) Выкрутите винт (10), снимите центральный шарнир (11) и дверь холодильника (12). Переместите заглушку (13). Переместите кронштейн двери (16) и винт (17).

3) Переместите верхнюю ось шарнира (14), и заглушку (15). Соберите дверь холодильника (12). Соберите центральный шарнир (11) и болт (10). Соберите дверь морозильника (21). Соберите нижний шарнир (5), болт (4) и нижнюю крышку (1).

Переместите верхнюю ось шарнира

Соберите дверь холодильника

Соберите нижний шарнир

6. Разборка

1. ДВЕРИ

● Дверь морозильника

1) Ослабьте 2 винта и вытяните нижнюю крышку.

2) Ослабьте крепежные болты нижнего шарнира, чтобы снять дверь морозильника.

Дверь морозильника

3) Вытяните уплотнитель двери из пенного заполнителя.

Вытяните уплотнитель двери

● Дверь холодильного отделения

1) Ослабьте крепежные болты центрального шарнира, чтобы снять дверь холодильного отделения.

Ослабьте крепежные болты центрального шарнира

2. ВЫКЛЮЧАТЕЛЬ ДВЕРНОЙ

1) Ослабьте четыре винта в верхней части и отсоедините верхнюю крышку.

2) Отсоедините провода от выключателя.

3) Отсоедините крючок позади переключателя, нажав его руками.

Отсоедините провода от выключателя

3. ЛАМПА ПОДСВЕТКИ ХОЛОДИЛЬНИКА

1) Снимите крышку лампы, поддев ее плоской отверткой.

2) Выкрутите лампу.

Снимите крышку лампы

4. ВЕНТИЛЯТОР И ДВИГАТЕЛЬ ВЕНТИЛЯТОРА

1) Извлеките ящики морозильника.

2) Снимите две заглушки, винты и ослабьте два винта решетки вентилятора.

3) Снимите решетку вентилятора и кожух.

4) Отсоедините провода.

5) Отсоедините вентилятор с кронштейном.

6) Ослабьте 2 винта крепления к кронштейну.

7) Снимите кожух, отделите двигатель вентилятора.

8) Снимите кронштейн двигателя и прокладку.

ослабьте два винта решетки вентилятора

5. БЛОК КОНТРОЛЯ РАЗМОРОЗКИ

Блок контроля разморозки состоит из термистора и плавкого предохранителя. Термистор обеспечивает автоматическое размораживание , и он присоединен к металлической стороне испарителя и контролирует температуру. Плавкий предохранитель это предохранительное устройство для предотвращения перегрева при размораживании.

При температуре 72°C, он останавливает работу нагревателя.

1) Снимите кожух, после снятия решетки.

2) Отсоедините разъем, связанный с контролем оттайки.

Блок контроля разморозки

Примечание: вариант B используется только в Европе.

Плавкий предохранитель

6. УПРАВЛЕНИЕ ЗАСЛОНКОЙ

1) Снимите крышку лампы, и ослабьте 2 винта.

2) Подтяните корпус управления и отсоедините провода.

3) Снимите крышку лампы.

4) Отсоедините жгут и блок контроля.

5) Разобрать ручку.

6) Отсоедините заслонку и блок управления.

7) Отсоедините резистор.

8) Отсоедините провода.

Снимите крышку лампы, и ослабьте 2 винта

7. НАГРЕВАТЕЛЬ

В этом холодильнике нагреватель используется для размораживания. Во время нагрева, температура нагревателя поднимается до 300 ~ 500°С. Поэтому, будьте осторожны, чтобы не сжечь его при обслуживании.

1) После снятия решетки и кожуха, отсоедините нагреватель, отсоединив разъемы.

2) Замените нагреватель и подключите провода.

Замените нагреватель

Примечание: вариант B используется только в Европе.

нагреватель используется для размораживания

7. Настройка

1. КОМПРЕССОР

1) Описание

Компрессор отсасывает пары из испарителя при низкой температуре и давлении. Сжимает и нагнетает под высоким давлением в конденсатор, где происходит охлаждение и конденсирование. Компрессор необходим для циркуляции хладагента.

2) Состав

Компрессор состоит из механизма сжатия газа, двигателя компрессора, аппаратуры пуска и защиты компрессора. Пусковое устройство (PTC-Starter), и реле защиты от перегрузок (Protector (OLP)) находятся снаружи компрессора. Поскольку компрессор состоит из прецизионных компонентов с обработкой с точностью 1/1000мм, он герметизируется на производстве в отсутствие пыли и влажности. Делайте ремонт компрессора с осторожностью.

3) Обратите внимание!

(1) Будьте осторожны, чтобы не допустить перенапряжения и перегрузки по току прибора.

(2) Берегите компрессор от ударов

Если вы примените излишние усилия или ударите (падение или неосторожное обращение), может произойти поломка и шум при работе.

(3) Используйте соответствующие электрические компоненты, предназначенные для данного компрессора.

(4) Обратите внимание на хранение компрессора.

Если компрессор промокнет под дождем и ржавчина попадет в разъем, результатом может быть неудовлетворительная работа и плохой контакт.

(5) Будьте внимательны, чтобы пыль, влажность и флюсом не попали внутрь компрессора при замене. Пыль, влажность, и остатки припоя внутри цилиндров могут вызвать шума при прохождении через клапаны.

2. PTC-Starter (пусковое устройство)

1) Описание PTC-Starter

(1) PTC (положительный температурный коэффициент) это бесконтактное полупроводниковое пусковое устройство, которое использует керамический материал на основе ВаТiO3.

(2) Чем выше температура, тем выше становится величина сопротивления. Эти возможности используются в качестве устройства запуска для двигателя.

2) Функция PTC-Starter

(1) PTC прилагается к герметичному компрессору и используется для запуска.

(2) Компрессор для холодильника относится к однофазным асинхронным двигателям. Для нормальной работы однофазного асинхронного двигателя, при запуске ток должен идти через основную и пусковую обмотки. После разгона двигателя, ток в пусковой обмотке отключается. Особенности PTC позволяют осуществить это. Так, PTC используется как пусковое устройство двигателя.

3) Схема подключения PTC-Starter

Схема подключения PTC-Starter

4) Перезапуск двигателя и охлаждение PTC

(1) Для перезапуска после отключения питания во время нормальной двигателя, отключите шнур питания на 5 мин. для выравнивания давления в цикле охлаждения и охлаждения PTC.

(2) Во время нормальной работы компрессора двигателя, PTC элементы генерируют тепло непрерывно. Таким образом, если PTC не охлаждается некоторое время после отключения двигателя оно не сможет работать снова.

5) Взаимодействие PTC-Starter и OLP (защита)

(1) Если питание отключено во время работы компрессора и питание включено до охлаждения PTC (мгновенное отключение в течение 2 мин. или переподключение вилки), PTC не охлаждается и сопротивление велико. В результате, ток не может протекать в пусковой обмотке и двигатель не может запуститься. В этом случае срабатывает OLP из-за повышенного тока основной катушки.

(2) OLP отключает питание на 3-5 минут, PTC охлаждается, и двигатель компрессора переходит в нормальный режим работы. Если OLP не сработает, тогда PTC не охлаждается, компрессор двигателя перегревается, что вызывает КЗ. Таким образом, использование исправного OLP обязательно.

6) Обратите внимание на использование PTC-Starter

(1) Будьте осторожны, чтобы не допустить перенапряжения и перегрузки по току.

(2) Берегите устройство от ударов

Не применяйте излишние усилия и не ударяйте.

(3) Храните отдельно от каких-либо жидкостей.

Если жидкость, таких как бензин или вода попадут в PTC, оно может сломаться из-за разрушения изоляции материалов PTC.

(4) Не ремонтируйте PTC.

Не разбирайте корпус PTC. Если внешний корпус PTC поврежден, сопротивление изменяется и это может привести к ухудшению пуска двигателя и повреждению компрессора.

(5) Используйте только оригинальные PTC.

3. OLP (ЗАЩИТА ОТ ПЕРЕГРУЗОК)

1) Описание OLP

(1) устройство OLP (защита от перегрузок) прилагается к компрессору и защищает двигатель от тока короткого замыкания и чрезмерного роста температуры в двигателе компрессора.

(2) Когда двигателя компрессора перегружен, биметаллическая пластина при нагревании нагревателем внутри OLP размыкает контакты и защищает двигатель, отключая ток, который превышает допустимый для двигателя компрессора.

2) Функция OLP

(1) OLP присоединяется к цепям компрессора и используется для защиты от перегрева обмоток компрессора.

(2) Не крутите регулировочный винт OLP в любом случае.

ЗАЩИТА ОТ ПЕРЕГРУЗОК

8. Схемы электрических соединений

Схема 1

Схема 2

ПРИМЕЧАНИЕ: 1. Принципиальная схема и технические характеристики могут отличаться в зависимости от локализации.

9. Устранение проблем (механические компоненты)

1. Компрессор и электрические компоненты

Компрессор и электрические компоненты

2. PTC И OLP

 

Проверка PTC-Starter

 

Проверка OLP

3. Проверка других электрических компонентов

Нет охлаждения

Нет охлаждения

4. Диагностика

Неисправность Что необходимо проверить Что сделать
Нет охлаждения ● Шнур питания отключен от розетки?
● Выключатель питания установлен в положение OFF?
● Предохранитель выключателя питания целый?
● Напряжение в розетке есть?
● Включить шнур питания в розетку.
● Выключатель питания установить в положение ON.
● Заменить предохранитель.
● Если напряжение мало, заменить проводку.
Плохо охлаждает ● Холодильник находится близко к стене?
● Прибор размещен рядом с печью, газовой плитой или под прямыми солнечными лучами?
● Температура окружающего воздуха высокая?
● В холодильник положены горячие продукты?
● Дверь открывается слишком часто, или дверь не закрыта?
● Регулятор стоит в положении «холод»?
● Между холодильником и стеной должно быть расстояние не менее 10 см
● Установите устройство в стороне от источников тепла.
● Сделайте температуру в помещении ниже.
● Закладывайте пищевые продукты после остывания.
● Не открывайте дверь слишком часто, и закрывайте ее плотно.
● Установить контроль в среднее положение.
Продукты в холодильнике переморожены. ● Продукты хранятся в холодильном отделении?
● Регулятор стоит в положении «холод»?
● Температура окружающей среды ниже 5°C?
● Храните продукты в холодильном отделении (верхняя часть)
● Установить контроль в среднее положение.
● Установить контроль в положение «тепло».
В камере появляется роса или лед. ● Жидкие продукты хранятся в холодильнике?
● В холодильник положены горячие продукты?
● Дверь открывается слишком часто, или дверь не закрыта?
● Храните жидкие продукты в закрытой упаковке
● Закладывайте пищевые продукты после остывания.
● Не открывайте дверь слишком часто, и закрывайте ее плотно.
Роса появляется на наружной поверхности корпуса. ● Температура окружающей среды и влажность воздуха высоки?
● Есть ли щели в двери?
● Протрите влагу сухой тканью. Этот случай решается естественным образом при более низкой температуре и влажности.
● Устраните щели
Ненормальный шум при работе ● Прибор установлен в соответствии с инструкцией по эксплуатации?
● Есть какие либо предметы, которые касаются прибор сзади?
● Контргайки ножек надежно затянуты?
● Полки правильно и до конца вставлены?
● Отрегулируйте ножки, установите прибор в соответствии с инструкцией.
● Уберите посторонние предметы от прибора.
● Отрегулируйте ножки и затяните контргайки.
● Установите полки на место.
Дверь не закрывается ● Уплотнитель двери загрязнен?
● Прибор установлен в соответствии с инструкцией по эксплуатации?
● Слишком много продуктов стоит на полках?
● Очистить уплотнитель двери.
● Отрегулируйте ножки и затяните контргайки.
● Хранить продукты так, чтобы они не мешали закрытию двери.
Неприятный запах в холодильнике. ● Холодильник грязный внутри?
● Вы храните сильно пахнущие продукты питания без упаковки?
● Пахнет пластмассой?
● Разморозить и отмыть холодильник внутри.
● Хранить сильно пахнущие продукты в упаковке.
● Запахи пластика нового холодильника устраняются сами после 1-2 недель эксплуатации.

● В дополнение к пунктам, описанным выше, см. следующие решения по жалобе.

 

5. Холодильный контур

Таблица неисправностей
Причина Исходное состояние Состояние испарителя Температура компрессора Примечания
утечка Частичная утечка Холодильное и морозильное отделение плохо охлаждаются. Тихий звук текущего хладагента прослушивается и лед образуется только на входе в испаритель. Чуть выше температуры окружающей среды. ● Мало количество хладагента.
● Нормальное охлаждение возможно при добавлении хладагента до нормативного количества.
Полная утечка Холодильное и морозильное отделение не охлаждаются. Звук текущего хладагента не прослушивается, лед на испарителе не образуется. Равна температуре окружающей среды. ● Нет хладагента.
● Нормальное охлаждение возможно при заправке нормативного количества хладагента.
Засор грязью Частичный засор Холодильное и морозильное отделение плохо охлаждаются. Звук текущего хладагента прослушивается и лед образуется только на входе в испаритель. Чуть выше температуры окружающей среды. ● Капиллярная трубка засорена
Полный засор Холодильное и морозильное отделение не охлаждаются. Звук текущего хладагента не прослушивается, лед на испарителе не образуется. Равна температуре окружающей среды. ● Капиллярная трубка засорена
Засор от перемораживания Охлаждение периодически прекращается. Звук текущего хладагента не прослушивается, лед на испарителе тает. Ниже температуры окружающей среды. ● Охлаждение восстанавливается после прогрева капиллярной трубки.
Неисправный компрессор Компрессия Холодильное и морозильное отделение не охлаждаются. Тихий звук текущего хладагента прослушивается и лед образуется только на входе в испаритель. Чуть выше температуры окружающей среды. ● Компрессор не создает необходимого давления
Нет компрессии Компрессор не работает Звук текущего хладагента не прослушивается, лед на испарителе не образуется. Равна температуре окружающей среды. ● Компрессор не создает необходимого давления

 

Определение утечки

Обследуйте контур хладагента на предмет точек утечки, которые могут быть в масле, особое внимание обратите на заправочную трубку компрессора и испаритель. Утечки, засоры также определяют по температуре и поверхности нагрева конденсатора.

Основные материалы для ремонта холодильного контура
№  Наименование Состав и характеристики Примечание
1 Припой (1) H 30
● Химический состав
Ag: 30%, Cu: 27%, Zn: 23%, Cd: 20%
Температура пайки: 710~840°C
(2) Bcup-2
● Химический состав
Cu: около 93%
P: 6.8~7.5%
Другое: примерно 0.2%
Температура пайки: 735~840°C
● Для сервисных центров рекомендуется припой H34 содержащий Ag: 34%
2 Флюс ● Состав и как сделать;
Бура (Borax) 30%
Бура (Borax) 35%
Фтористый калий (Fluoridation kalium) 35%
Вода 4%
Смешать вышеперечисленные ингредиенты и варить, пока они не превратятся в жидкость.
● Изготавливать такое количество, которое необходимо на один день.
Срок хранения 1 день.
● Закрывайте крышку контейнера для предотвращения попадания пыли в флюс.
● Храните флюс в контейнере из нержавеющей стали.
3 Фильтр осушитель (1) Установить осушитель в течение 30 минут после распаковки.
(2) Хранить распакованный осушитель при температуре 80-100°С
● Не держите в осушитель на открытом воздухе, поскольку влажность портит его.
4 Вакуум (1) При измерении вакуумметром, разрежение должно находится в пределах 1 мм рт.
(2) Если степень разрежения внутри контура составляет 10 мм рт., это говорит о утечке в системе.
(3) После вакуумирования, разрежение должно измениться не более чем на 0,05 мм рт. после 5 мин.
(4) Разрежение не должны быть меньше значения описанного в пункте (2) в течение 20 мин.
● Используйте заведомо исправный вакумметр.
● Выполняйте вакуумирование до нормативной степени вакуума.
● Если должной степени вакуума достичь не удается, проверьте утечку из контура и из навесного оборудования для заправки.
5 Осушенный воздух и азот (1) Давление сухого воздуха должно быть больше 12 ~ 16kg/cm2
(2) Температура должна быть больше, чем от -20 до -70°C.
(3) Держите давление в 12 ~ 6kg/cm2 также при замене сухого воздуха на азот.
6 Ниппель и муфта (1) Проверьте, есть ли утечка газа при помощи мыльной воды.
(2) Замените муфту в случае утечки.
● Убедитесь, что нет утечки газа из стыка муфты.
7 Трубки Положите все используемые трубки в чистую коробку и закройте плотно крышкой так, чтобы пыль или влажность не попали в них.

10. Функции управления и цепи управления

Это описание сделано только для GR-349, 389SQ. Пожалуйста, при ремонте обращайтесь к схемам для конкретных моделей.

1. ФУНКЦИЯ «ЗАДАНИЕ ТЕМПЕРАТУРЫ»

1) Как работает

(1) Холодильник запускается из состояния, когда электроэнергия подается впервые. Исходное состояние может быть изменено с «Mid» на «Mid / Max», «Max», «Min», «Min / Mid», «Mid» нажатием на кнопку FREEZE TEMP.

(2) Оно возвращается в состояние «Mid», если питание выключено и включено снова.

ЗАДАНИЕ ТЕМПЕРАТУРЫ

 

2. БЫСТРАЯ ЗАМОРОЗКА (QUICK FREEZE)

(1) Функция повышает скорость замораживания путем включения непрерывной работы компрессора. После нажатия кнопкм быстрого замораживания загорается индикатор QUICK FREEZE. Спустя 3 часа непрерывной работы компрессора, функция быстрого замораживания автоматически отключается.

(2) Размораживание во время функции QUICK FREEZE работает следующим образом.

Когда QUICK FREEZE отрабатывает 90 минут, размораживание запускается через 2 часа после окончания цикла.

(3) Если кнопка QUICK FREEZE нажата во время размораживания, загорается светодиодный индикатор QUICK FREEZE. Быстрое замораживание будет действовать в течение 3 часов после 7 минут с момента окончания разморозки.

(4) При нажатии кнопки VACATION (пустой) во время быстрого замораживания, функция быстрого замораживания будет отменена.

(5) Если во время быстрого замораживания произойдет выключение и включение сетевого питания, функция быстрого замораживания будет отменена.

3. ФУНКЦИЯ VACATION (ПУСТОЙ)

(1) Функция энергосбережения. При нажатии кнопки VACATION, загорается индикатор VACATION и эта функция начинает работать.

(2) В морозильной камере поддерживается температура примерно -13°С.

(3) Размораживание и управление вентилятором такое же, как в нормальном режиме работы.

(4) Если кнопка QUICK FREEZE нажата во время работы функции VACATION, функция будет отменена.

(5) Если во время работы функции VACATION произойдет выключение и включение сетевого питания, функция VACATION будет отменена.

4. ТРЕВОГА «ОТКРЫТАЯ ДВЕРЬ»

(1) Когда дверь холодильника открыта и не закрывается через 1 минуту, звучит зуммер уведомления.

(2) Сначала звуковой сигнал звучит три раза с интервалом в 0,5 секунды. Потом происходит три раза включения / выключения сигнализации по 0,5 секунды с интервалом в 30 секунд.

(3) Если дверь холодильника закрыта во время тревоги, тревога будет сброшена.

 

5. ЗВУКОВОЙ СИГНАЛ ПРИ НАЖАТИИ КНОПОК

(1) При нажатии кнопок (FREEZE TEMP, QUICK FREEZE, VACATION) на панели управления, раздается звуковой сигнал «ДИНЬ ~ ~ ДОН» (см. проверка работы звукового сигнала)

6. РАЗМОРАЖИВАНИЕ

(1) Если суммарное время работы компрессора превышает с 7 часов, включается обогреватель размораживания.

(2) Первое размораживание производится через 4 часа (суммарного времени работы компрессора) после того, так как питание было включено.

(3) Если датчик оттайки показывает более 7°С во время операции размораживания, разморозка оканчивается, нагреватель размораживания делает паузу, и через 7 минут запускается нормальная работа по замораживанию. Но, если датчик оттайки не достигают 7°С после 2 часов работы нагревателя размораживания, формируется сигнал ошибки размораживания. (См. функцию индикации ошибок)

(4) Если датчик оттайки находится в коротком замыкании или обрыве, размораживание не выполняется.

7. ПОРЯДОК РАБОТЫ ЭЛЕКТРИЧЕСКИХ КОМПОНЕНТОВ

Чтобы избежать шума и повреждений электрических компонентов, таких как компрессор, нагреватель оттайки и двигатель вентилятора, двигатель компрессора работает в следующем порядке.

 

Начальное состояние Порядок работы
При первом включении Когда датчик оттайки измеряет температуру более чем 7°C. (При покупке или перемещении)
Когда датчик оттайки измеряет температуру менее чем 7°C. (При сбое питания или обслуживании)
При возвращении в нормальное состояние из тестового режима.

 

8. САМОДИАГНОСТИКА

(1) Функция облегчает поиск неисправностей при возникновении проблем в холодильнике.

(2) При возникновении неисправности, кнопки управления функциями не работают.

(3) Если причины ошибки исчезли во время представления кода ошибки, холодильник переходит в нормальный режим работы (RESET).

(4) Для представления кода ошибки используются светодиоды FREEZE TEMP на верхней крышке. Если происходит ошибка, все другие индикаторы, за исключением светодиодов кода ошибки, выключены.

№  Наименование Индикация ошибки
F1 F2 F3 F4
Описание Работа при возникновении ошибки
Компрессор Вентилятор ТЭН разморозки
1 Неисправен датчик t в холодильнике (FREEZER SENSOR) Датчик t в холодильнике оборван или замкнут 15 мин ВКЛ/
15 мин ОТКЛ
2 Неисправен датчик разморозки Датчик разморозки оборван или замкнут Нет разморозки
3 Некорректно работает функция разморозки ТЭН разморозки, плавкий предохранитель оборваны или отключены (Индикация появляется через 4 часа после возникновения неисправности)
4 Неисправен датчик t 
окр. Среды
(RT-SENSOR)
См. прим. №       1 Датчик t окр. среды оборван или замкнут

 

* Примечание 1) Если после нажатия вместе кнопок QUICK FREEZE и FREEZE TEMP через одну секунду происходит следующее:

é Если все нормально, горят все светодиоды на верхней панели.
RT-SENSOR
ë Если есть неисправность, горят все светодиоды на верхней панели, кроме светодиода VACATION.

 

9. ФУНКЦИОНАЛЬНЫЙ ТЕСТ

(1) Функциональный тест позволяет проверить работоспособность печатных плат, холодильника, и локализовать неисправность.

(2) Переключатель тестового режима находится на модуле управления холодильника.

Функциональный тест автоматически отключается через 2 часа после запуска, независимо от тестового режима.

(3) Если кнопки на верхней панели нажать в тестовом режиме, функции не будут работать, и только будет подаваться сигнал «Динь — дон ~ ~»

(4) После окончания тестового режима, необходимо вытащить шнур питания и включить его снова (RESET).

(5) Если ошибка появляется во время тестового режима, функциональная проверка останавливается и светодиоды дисплея показывают КОД ОШИБКИ.

(6) Если переключатель тестового режима запустить во время индикации кода ошибки, функциональная проверка не будет работать.

 

Режим Действия Описание Примечание
Тест 1 Нажмите кнопку «TEST» один раз. 1. Компрессор работает нормально.
2. Вентилятор работает нормально.
3. ТЭН оттайки выключен.
4. Все лампы панели управления включены.
Тест 2 Нажмите кнопку TEST кнопку еще один раз из состояния тестового режима 1. 1. Компрессор выключен.
2. Вентилятор выключен.
3. ТЭН оттайки включен.
4. Все лампы панели управления выключены, кроме ламп QUICK FREEZE и VACATION.
Если ТЭН оттайки нагревает до 7°С или более идет возврат в нормальный режим.
Нормальный режим Нажмите кнопку TEST кнопку еще один раз из состояния тестового режима 2. Возвращение к исходным условиям (RESET) Компрессор запускается через 7 минут.

 

Проверка работы светодиодов: Нажмите одновременно кнопки QUICK FREEZE и FREEZE TEMP. Через 1 сек., все светодиоды дисплея загораются одновременно. Если отпустить кнопки, идет возврат к предыдущему состоянию.

 

Описание работы компонентов

1. ЦЕПИ БЛОКА ПИТАНИЯ

А

ЦЕПИ БЛОКА ПИТАНИЯ

В

Примечание: вариант B используется только в Европе.

Вторичная обмотка трансформатора подключена к электрическим цепям, обеспечивающими питанием реле управления и исполнительные устройства (12В постоянного тока) и питание модуля управления (MICOM и IC, 5 В постоянного тока). Напряжения в каждой части выглядит следующим образом.

Элемент концы VA1 концы CM1 концы CM2 концы CE2 концы CC2
Напряжение 230 В переменный 14 В переменный 17 В постоянный 12 В постоянный 5 В постоянный

 

VA1 является элементом для защиты от перенапряжения и помех. Когда подается напряжение более чем 385V, плавкий предохранитель (130°C отсечка, опционально) отключает первичную обмотку трансформатора, чтобы элементы на вторичной стороне трансформатора были защищены.

2. ЦЕПИ ГЕНЕРАЦИИ ТАКТОВОЙ ЧАСТОТЫ

ЦЕПИ ГЕНЕРАЦИИ ТАКТОВОЙ ЧАСТОТЫ

Схема генерации тактовой частоты обеспечивает внутренних локальных элементов IC1 для передачи и приема информации и для расчета основного времени работы. Используйте только штатный резонатор OSC 1. Потому что случае замены, расчетное время в IC1 изменится или IC1 не будет в состоянии работать.

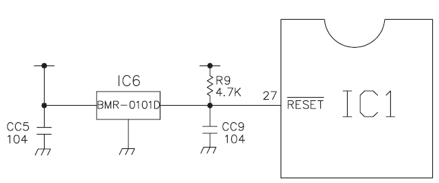
3. ЦЕПИ ПЕРЕЗАПУСКА (RESET)

ЦЕПИ ПЕРЕЗАПУСКА (RESET)

Все внутренние элементы процессора MICOM (IC1) возвращаются в исходное состояние, после временного отключения питания MICOM и первоначальной подачи питания. В результате, все функции работают в соответствии с исходным состоянием. В начальный период подачи питания «LOW» напряжение подается на RESET, контакт MICOM на короткое фиксированное время. На контакт RESET подается 5 В при операции запуска.

4. РАБОТА ЦЕПЕЙ ЗАПУСКА И ЗВУКОВОГО СИГНАЛА, ЦЕПИ КОНТРОЛЯ ОТКРЫТИЯ ДВЕРИ.

(1) Проверка цепей запуска

 

Примечание: вариант B используется только в Европе.

 

Тип нагрузки Компрессор, вентилятор охлаждения компрессора Двигатель вентилятора ТЭН оттайки
Точка измерения (IC4) №       11 №       12 №       13
Состояние ВКЛ менее 1 В
ОТКЛ 12 В

 

• Если DOOR-R (дверь) открыта во время работы FAN MOTOR (вентилятора), FAN MOTOR немедленно останавливается.

• Точки [А], [В] DOOR S/W-R (выключателя двери) связаны с цепями обнаружения открытой двери.

• Если DOOR-R (дверь) не будет открыта или закрыта, то выключатель двери S/W-R соответственно ВКЛ / ВЫКЛ, и LAMP-R (лампа индикации) ВКЛ / ВЫКЛ, и в то же время, контакты S/W, [А], [В] двери подают сигнал для обнаружения открытого или закрытого состояния DOOR-R (двери).

(2) Проверка цепей обнаружения открытого состояния двери

Проверка цепей обнаружения открытого состояния двери

* ПРИМЕЧАНИЕ: Если вы меняете тип DOOR S/W-R (выключатель двери), то должны изучить описание по номеру детали. Потому что подобный тип выключателя двери S / WR не для MICOM МОДЕЛЕЙ, и имеет обратную логику контактов [А], [В] DOOR S/W-R.

Точка измерения

контакт №       13 на IC 1 (MICOM)

Дверь холодильника

ЗАКРЫТО

5 В (S/W контакты [А], [В] положение выключено)

ОТКРЫТО

0 В (S/W контакты [А], [В] положение включено)

 

• Даже если LAMP-R (лампа) работает нормально ON/OFF при открытии/закрытии, но процессору не удалось обнаружить через провода [А], [В] DOOR-R открытое или закрытое состояние, выключатель DOOR S/W-R является неисправным.

• Открытое состояние двери не обнаружено: Если дверь открыта, вентилятор не останавливается.

Закрытое состояние двери не обнаружено: Если дверь закрыта, раздается звуковой сигнал ALARM DOOR OPEN (тревога открытия двери). Необходимо проверить провода из [А], [В] выключателя двери S/W-R.

(3) Проверка цепей звукового сигнала.

Проверка цепей звукового сигнала

 

Условия

При нажатии кнопок дисплея подается звуковой сигнал
«Динь-Дон»

Тревога открытой двери
(сирена)

Откл

Точка измерения

IC1 (ножка №       14)

0 В

IC1 (ножка №       13)

0 В

 

5. РАБОТА ЦЕПЕЙ ДАТЧИКОВ ТЕМПЕРАТУРЫ.

Работа цепей датчиков температуры

Схема выше считывает температуру окружающей среды, температуру размораживания и температуру отделений холодильника в процессор (MICOM (IC1)). Обрыв или короткое замыкание каждого датчика можно определить следующим образом.

Датчик Контрольная точка Норма (-30°C~50°C) Короткое Обрыв
Датчик температуры окр. среды Точка [A] напряжение 0,5 В ~ 4,5 В 0 В 5 В
Датчик разморозки Точка [В] напряжение
Датчик камеры Точка [С] напряжение

 

6. ЦЕПИ ВЫКЛЮЧАТЕЛЯ ТЕСТОВОГО РЕЖИМА.

Следующая схема это схема тестового переключателя для проверки холодильника.

Цепи выключателя тестового режима

 

7. КОМПЕНСАЦИЯ ТЕМПЕРАТУРЫ.

Компенсация температуры

 

Температура окружающей среды холодильника ПРИМЕЧАНИЯ
Сопротивление (R1) Компенсация температуры компенсация тепла
180 кОм +5°С
56 кОм +4°С
33 кОм +3°С
18 кОм +2°С
12 кОм +1°С
10 кОм 0°С стандарт
8,2 кОм -1°С Компенсация холода
5,6 кОм -2°С
3,3 кОм -3°С
2 кОм -4°С
470 Ом -5°С

 

● Таблица температурной компенсации регулирует значение сопротивления. (разницу температуры по сравнению с текущей)

Например: Если компенсационное сопротивление морозильной камеры изменяется с 10 кОм (текущее сопротивление) до 18 кОм (замененное сопротивление), температура в морозильной камере повышается на +2 °C.

● КОМПЕНСАЦИЯ ТЕМПЕРАТУРЫ ОКРУЖАЮЩЕЙ СРЕДЫ.

ввод необходимого значения температуры компенсации

● Эта схема предназначена для ввода необходимого значения температуры компенсации в процессор для того, чтобы настроить температуру морозильника, которая отличается в каждой модели.

8. ЦЕПИ ИНДИКАЦИИ И УПРАВЛЕНИЯ.

Схема рассматривает работу функциональных клавиш

Схема выше рассматривает работу функциональных клавиш. Работу каждой функции указывает светодиод. Схема функционирует по методу SCAN

9. ТАБЛИЦА ЗНАЧЕНИЙ СОПРОТИВЛЕНИЙ ДАТЧИКОВ ТЕМПЕРАТУРЫ.

Температура Сопротивление датчика температуры Сопротивление датчика оттайки, температуры окружающей среды
-20°С 22,3 кОм 77 кОм
-15°С 16,9 кОм 60 кОм
-10°С 13,0 кОм 47,3 кОм
-5°С 10,1 кОм 38,4 кОм
0°С 7,8 кОм 30,0 кОм
+5°С 6,2 кОм 24,1 кОм
+10°С 4,9 кОм 19,5 кОм
+15°С 3,9 кОм 15,9 кОм
+20°С 3,1 кОм 13,0 кОм
+25°С 2,5 кОм 11,0 кОм
+30°С 2,0 кОм 8,9 кОм
+40°С 1,4 кОм 6,2 кОм
+50°С 0,8 кОм 4,3 кОм

 

● Разброс сопротивления датчика составляет ± 5%.

● Измеряйте сопротивление датчика после выдержки датчика более 3 минут при заданной температуре. (Возможна задержка из-за инерционности датчика.)

● Измеряйте сопротивления датчиков цифровым тестером после отключения CON 4 от модуля управления.

10. МОДУЛЬ УПРАВЛЕНИЯ И СПИСОК ЗАПАСНЫХ ЧАСТЕЙ (ПАРТ НОМЕРА).

(1) Модуль управления

Модуль управления

(2) Список запасных частей (парт. номера)

(3) Блок индикации, список запасных частей (парт. номера)

 

Блок индикации

11. ПРИНЦИПИАЛЬНАЯ ЭЛЕКТРИЧЕСКАЯ СХЕМА
(в схему могут быть внесены изменения без предупреждений)

Схема холодильника LG GR-389SQF

 

11. ВЗРЫВНЫЕ ВИДЫ И СПИСОК КОМПОНЕНТОВ

1.Ref. No: GR-349/389

(в схему могут быть внесены изменения без предупреждений в зависимости от локализации)

 Компонеты холодильника LG GR-389SQF

 

 Компонеты холодильника LG GR-349SQF

12. REPLACEMENT PARTS LIST

BUYER NAME:CIS

MODEL NAME:GR-349SQF LG REFERENCE NO:GC-349SQF.CEWQCIS

COLOR:EUROPE WHITE

 

Руководство по Ремонту и техническое обслуживание Бытового Холодильника Как самому отремонтировать Бытовой Домашиний Холодильник!